
但是项目经理不认可,认为我少算了,在砌墙、线路材料、飘窗回填上需要再增加1300元!
[ 本帖最后由 XPLWJ 于 2020-2-2 20:29 编辑 ]
老爸家中某空开跳闸的原因是空开本身故障!但是,我还得解决问题!
墙面材料的选择——墙面材料的种类
家庭装修的墙面材料种类有很多,根据材料种类主要分4种:
涂料涂敷与物体表面与基体材料很好黏结并形成完整而坚韧保护膜用于墙面的装饰和保护。涂料类与其它饰面材料相比具有重量轻色彩鲜明附着力强施工简便质感丰富价格低廉以及耐水、耐污、耐老化等许多优点。其根据材料分主要有乳胶漆、艺术涂料、硅藻泥。
二、墙纸墙布类
墙面装饰织物是目前我国使用最为广泛的墙面装饰材料。墙面装饰以多变的图案、丰富的色泽、仿制传统材料的外观、以独特的柔软质地产生的特殊效果柔化空间美化环境深受用户的喜爱。这些壁纸和墙布的基层材料有全塑料的、布基的、石棉纤维基层的和玻璃纤维基层的等等其功能为吸声、隔热、防菌、放火、防霉、耐水良好的装饰效果。在宾馆、住宅、办公楼、舞厅、影剧院等有装饰要求的室内墙面、顶棚应用较为普遍。
常用聚乙烯或氯乙烯壁纸是用聚乙烯或氯乙烯树脂与增塑剂等材料经过复合、印花、压花等工序而制成壁纸。其特点是有一定的伸缩性和耐裂强度因此允许底层结构有一定程度的裂缝。塑料壁纸可以制成各色图案及丰富多彩的凹凸花纹富有艺术性及装饰效果。施工简单易于粘贴。清洁容易可用布擦洗。
塑料壁纸适用于高级宾馆、饭店、商场、餐厅、剧院、会议室办公室、民用住宅内墙、天花板装饰及艺术装潢等。
三、装饰板材
木材轻质高强易与加工有较高的弹性和韧性热容量大装饰性好。在室内装饰方面木材美丽的天然花纹给人以淳朴、亲切的质感表现出朴实无华的传统自然美从而获得独特的装饰效果。但木材也有缺陷如内部结构不均匀导致各向异性易随周围湿度变化而改变含水量引起膨胀或收缩易腐蚀及虫蛀易燃烧天然瑕疵较多等。
四、人造或天然硬质材料类
1、石材: 主要有天然石材和人造石材两类。天然装饰石材指天然大理石和天然花岗岩。天然石材是从天然岩体中开采出来年并加工成块状或板状材料的总称。天然石材的主要优点如下:
1)石材结构致密抗压强度高。
2)耐水性、耐磨性、耐久性好。
3)装饰性好石材具有纹理自然、质感厚重、庄严雄伟的艺术效果。
天然石材的主要缺点是质地坚硬、加工困难自重大、开采运输不方便个别石材可能含有放射性需要进行必要的检测。主要用于宾馆、饭店、酒楼、展厅、博物馆、办公楼、会议室、大厦等高级建筑的室内墙壁。
2、陶瓷:是指建筑物室内外装饰用较高级的烧土制品。一般指瓷砖,主要用于厨房、浴室、卫生间、实验室、精密仪器车间等室内墙面。也可以用来砌筑水池卫生设施等。若经专门设计、彩绘、烧制而成的面砖可以镶拼成各式壁纸具有独特的装饰效果。其装饰既清洁卫生又美观耐用并兼有绝热隔声的功能。
3、玻璃:玻璃的装饰性能很丰富玻璃的装饰特性可划分成玻璃的透光性、玻璃的透明性、玻璃的半透明性、玻璃的折射性、玻璃的反射性、玻璃的多色性、玻璃的光亮性、玻璃表面图案的多样性、玻璃形状多样性、玻璃安装结构的多样性。不仅如此玻璃的装饰性能是活性的、是动态的、是充满着生命活力的。它与日光辉映可使建筑物色彩斑斓、光彩照人。
就目前市场来看,广泛应用的是纸质胶底。
优点:有一定的防火防霉效果,还有一定的防水功能,一般的污水泼上去都不会沾染的,施工也简单,贴一贴也很快,价格虽然高,但是好像也还能接受?主要是花样颜色多,好看,可以慢慢选!
缺点:墙纸有优有劣,二者的质量相差也是很大的,材质差的墙纸不环保,而且会污染室内环境,危害我们的身体,而且不透气类型的墙纸容易翘边,当室内湿气较大时,容易发霉,甚至从墙上脱落下来。 印刷质量差的墙纸,不能长久保持色度不变,会掉色褪色,在阳光长久照射下还会更严重,还有就是二次更换会比较麻烦,绝大部分壁纸在更换时都要将之前所贴的墙纸撕掉,重新铺贴新的墙纸,这时我们需要好好打理一下墙面上,处理掉之前铺贴的所遗留的问题,还有一点容易被我们所忽略,就是当墙纸拼接时,接缝处会一定情况下影响美观,这时我们需要好好留心一下,当然纸浆墙纸也会有类似的情况,搭边粘贴时会有漏出的搭边竖条,影响美观,同样的,在施工时我们都要花点耐心和细心。
墙纸的施工也比较麻烦,基层处理 → 腻子打磨 → 滚涂基膜 → 将胶水涂在墙纸上 → 铺贴墙纸。铺贴时对师傅的手艺要求高,一不小心就会对缝有误差,花纹对不上,或是有阴阳面、露白边、溢胶等问题。如果是在南方潮湿地区,不建议贴,容易发霉,使用寿命短。如果硬是要贴的话,要在原本的墙面上先做好防潮处理,再进行铺贴哦!
墙纸和墙布,在材质上有很大的不同,一个是纸,一个是布。
墙布是墙纸的升级产品,普遍比墙纸价格更高。
墙布是无缝的(一般高度超过2.8米,宽度一般根据业主需求进行定制裁切)对于平层的使用可以做到没有拼接,所以也叫无缝墙布。这样就避免了墙布上墙出现裂缝,整体感更强,更加美观。但因为墙布是按照整墙来测量定制的,浪费也大,在门、窗户、【此处为站外链接,请谨慎打开】这些地方时必须裁掉,损耗大。
优点:环保!难以想象刷漆竟然是环保的,但其实不管是墙纸还是乳胶漆都做不到无甲醛,只是含量多少的问题,只要选择合格的乳胶漆,那就没问题啦。
乳胶漆的施工也方便,乳胶漆可以涂刷,喷涂,辊涂,可以用水稀释,在施工环境好时还可以一天多道涂刷。而且刷完干燥也快,乳胶漆施工完成后,随着水分的蒸发,而干燥成膜,在合适的气候条件下,乳胶漆干燥比较快,一般4h左右可以重涂,一天可以施涂二至三道。
乳胶漆透气性好,乳胶漆是通过水分蒸发,乳胶漆粒子变形融合成膜,因此具有很好的透气性。它的耐水性也好,毕竟干燥成膜后,涂膜不溶于水。
乳胶漆的价格一般在30元/㎡以上,施工流程是:基层处理 → 腻子两遍 → 底漆两遍 → 面漆一遍。墙面基层处理得好,刷过乳胶漆的墙面用个一二十年是不成问题的。
缺点:乳胶漆对施工环境有要求,施工温度一定要在5°c以上,由于乳胶漆成膜物质一般是热塑性的聚合物,解释起来或许比较麻烦,但其实这就是乳胶漆的最低成膜温度,有的甚至还要10°c以上呢(这就导致冬季时我们国家部分地区不能施工哦),干燥成膜受温度和湿度影响,干燥过程长,那为啥之前还说干燥快是它的优点呢,但其实之前提的是涂膜干燥快指的是表面干燥,而干燥过程是指实干,这对于门窗漆来说,是必须克服的缺点。
存储温度也有要求,毕竟乳胶漆是水分散性涂料,在运输过程中温度要在0°c以上,否则就成冰疙瘩了哟。
乳胶漆因为颜色单一,比较简约,适合北欧风、日式、现代简约风,不需要多余的装饰,纯色就够大方。如果想要一些花样,也可以用乳胶漆刷出一些花样来,比如说拼色、渐变、几何图案等。
4、硅藻泥
硅藻泥的主要原材料是历经亿万年形成的硅藻矿物--硅藻土,硅藻是一种生活在海洋、湖泊中的藻类。硅藻泥采取生活在数百万年前的水生浮游类生物--硅藻沉积而成的天然物质,主要成分为蛋白石,富含多种有益矿物质,质地轻软,电子显微镜显示其粒子表面具有无数微小的孔穴,孔隙率达90%以上,比表面积高达65㎡/g。其主要优点有:
1)净化空气、消除异味
硅藻泥产品具备独特的"分子筛"结构,具有极强的物理吸附性和离子交换功能,可以有效吸收空气中的游离甲醛、苯、氨等有害物质及因宠物、吸烟、垃圾所产生的气味,净化室内空气。
2)防火阻燃
硅藻泥是由无机材料组成,因此不燃烧,即使发生火灾,也不会冒出任何对人体有害的烟雾。当温度上升至摄氏1300℃时,硅藻泥只是出现熔融状态,不会产生有害气体等烟雾。
3)呼吸调湿
随着不同季节及早晚环境空气温度的变化,硅藻泥可以吸收或释放水分,自动调节室内空气湿度,使之达到相对平衡。尤其是沿海城市和南方空气较湿润的城市,调节室内空气湿度效果明显,减少潮湿的空气给您带来的烦恼。
4)吸音降噪
由于硅藻泥自身的分子多孔结构,因此具有很强的降低噪音功能,可以有效的吸收对人体有害的高频音段,并衰减低频噪功能。其功效相当于同等厚度的水泥砂浆和石板的2倍以上,同时能够缩短50%的余响时间,大幅度的减少了噪音对人身的危害,给你创建一个宁静的睡眠环境。
5)保温隔热
硅藻泥的主要成分硅藻土的热传导率很低,本身是理想的保温隔热材料,具有非常好的保温隔热性能,其隔热效果是同等厚度水泥砂浆的6倍。
6)释放负氧离子
硅藻泥独具的"分子筛"结构,在接触到空气中的水分后会产生"瀑布效应",从而不断的释放出对人体有益的负氧离子。
7)不沾灰尘
不含任何重金属,不产生静电,浮尘不易附着,墙面永久清新,硅藻泥不易产生静电,墙面表面不易落尘。
8)色彩柔和
硅藻泥选用无机矿物颜料调色,色彩柔和。当人生活在涂覆硅藻泥的居室里时,墙面反射光线自然柔和,人不容易产生视觉疲劳,有效保护你和家人的视力,尤其对保护儿童视力效果显著。同时硅藻泥墙面颜色持久,使用高温着色技术,不褪色,墙面长期如新,增加了墙面的寿命,减少墙面装饰次数,节约了居室成本。
缺点:1、时间长了会掉粉;2、吸附甲醛后,日后会释放出来。
!因此报着学习的想法去了其店中,通过沟通、交流,让我对硅藻泥有了直观的了解,朋友介绍的硅藻泥的两个缺点也有答案!一、墙纸、墙布的优缺点
目前经营墙布商家往往都称“XX软装馆”,其经营的内容比较丰富,有墙纸、墙布、窗帘、挂画、饰品等;在推荐墙面材料时经常是墙纸和墙布混搭,作为业主有必要对墙纸、墙布的各自特点进行了解。
1、墙纸,通常是叫做壁纸,由于里面带了一个纸字,很多人就误以为墙纸就是用纸做的,甚至有人认为,墙纸就是一张纸,只是里面印上图案纹理,然后在表面覆一层塑料膜。其实这是对墙纸的误解,事实并不是这样的。墙纸的制造材料并不是纸,而且有多重不同材料的墙纸。
墙纸的优点:
1)壁纸的色彩纯正:壁纸的色调永远是纯正的,因为壁纸从选购到贴到墙上都不会发生颜色的变化,不用担心有色差!
2)壁纸健康指数较高:壁纸一般由三部分组成,纸基和油墨是其中两部分,另外一部分取决于壁纸材质的分类。从组成来看,壁纸对人体的危害程度远远低于乳胶漆。
3)壁纸的使用寿命长:使用制作工艺先进的壁纸,其材质更好,使用寿命也会更长。
4)壁纸的施工速度快、乾净:使用湿抹布或是是海绵就可以很快清除干净。
5)壁纸可以营造氛围:可很好地突出房间的整体效果和温馨的家居气氛。
墙纸的缺点:
1)造价比乳胶漆相对贵些。
2)不透气材质的壁纸容易翘边,墙体潮气大,时间久了容易发生脱层。(主要问题)
3)一些壁纸色牢度较差,不耐擦洗。
4)档次比较低,材质比较差的壁纸环保性差,对室内环境有污染。
5)印刷工艺低的壁纸时间长了会有褪色现象,尤其是日光经常照的地方。(重要缺点)
6)颜色深的纯色壁纸容易显接缝。
7)收缩度不能控制的纸浆壁纸需要搭边粘贴,会显出一条条搭边竖条,整体视觉感有影响。
8)小部分壁纸再更换需要撕掉并重新处理墙面,比较麻烦。
9)施工水平和质量不容易控制。
10)小部分壁纸的使用寿命短,几年就要更换翻新。
2、墙布,又称“壁布”。裱糊墙面的织物。用棉布为底布,并在底布上施以印花或轧纹浮雕,也有以大提花织成。所用纹样多为几何图形和花卉图案。
墙布的优点:
1)吸音隔音:纯布纹理凹凸加上软组织厚度起到了消音、吸音、隔音的效果。忙碌了一天渴望宁静。相当于专业吸音板效果的多功能墙布和软包,吸音隔音效果显著且多功能墙布为您营造安静舒适的生活环境。
2)节能低碳:多功能墙布采用各类纯布与针刺棉结合将纳米材料用纳米技术进行处理,因此具有冬暖夏凉的节能效果。
3)健康环保:我们都知道健康已成为当今人们装饰装修重要标准,,把布作为多功能墙布、软包的表层,环保不成问题,因为布是人们用作窗饰、服装的材料;传统材质,科技创新,加上食用级的纳米复合胶和纳米环保墙布专用胶水,确保了原辅材料的绿色环保。只要墙面平整干净,无需打磨,水泥墙面也可直接粘贴。
墙布的缺点:
1)墙布的拼接处的缝隙比较大,而且需要的胶水一般都含有较多的有害物质。
2)市面上没有完全环保的胶水的,胶水的粘性越大,危害越大。
3)墙壁内不可受潮,否则发霉起层,非常难看。
4)接缝翘起、日久褪色、被污染后不易清洁。
二、墙纸和墙布的区别
1、材料的不同:墙布也被称为纺织壁纸,主要制成材料有丝、羊毛、棉、麻等,而墙纸一般都由基层和面层组成的,所以墙纸和墙布最大的本质区别就是材料不一样。
2、工艺不同:墙纸的工艺种类很多,不仅有涂布的、印刷的、压纹的还有表面覆塑,花纹是机器印刷上去的,而壁纸的花纹则是平织上去的,所以会给人一种真实的立体感,这点与墙纸很大的差别。
3、市场价格:一般墙纸都是适用于中、低端市场,市场价大概是30到50元就可以买到一卷,而墙布的价格则会高上许多,价格大概在100一平方左右。
4、构成的不同:墙纸的面层分为纸面和胶面,胶面的质量会比纸面的好,比纸面更加防水,也更容易进行清洗;而墙布都是布面的,所以防火性和耐磨性会比较好。
5、施工处理不同:因为墙纸都是需要进行裁剪的,所以在粘贴的时候要注意图案的拼接以及角落,避免日后起角,但是墙布的施工是比较方便的,不需要进行裁剪和拼接,可以直接进行粘贴,铺贴上去后也会比墙纸更美观,还具有吸收噪音和调节室内温度的功能。
墙布的选购:
一、墙布好坏的判断:
现在的墙布都标榜环保、三防——”防霉”、”防污”、”防水”。针对这些在挑选墙布时可用“看”、“摸”、“闻”、“擦”,“挤”、“泡”六步来判断
看:一看颜色,看墙布的表面是否存在色差、皱褶和气泡,墙布的花案是否清晰、色彩均匀。好的墙布都是丝进行上色,然后进行墙布纺织,而质量差的墙布是先编织后上色,后者的颜色不饱满、容易掉色。二看防水,为了验证墙布的防水性能,可以让商家在墙布上洒上水,如果能和荷叶一样,水形成水珠在布上翻滚,不渗下去,说明防水性能较好。

摸:用手摸一摸墙布,感觉它的质感是否好,布料的薄厚是否一致。在正常情况下,一般墙布每CM长度的丝越多布越密,价格成本会高,质感越好,有的商家说自己的墙布密封达到180-200根/CM,但是业主是无法去验证的,只能用手感感受,布越密手越感紧实,拉扯不易变形。
闻:这一点很重要,如果墙布有异味,很有可能是甲醛、氯乙烯等挥发性物质含量较高。一般品牌的墙布基本上是不会闻出味道,但是现在有的商家会用火来烧墙布看是否有异味。不过这必须是纯墙布(不含胶、无纺底),如果是棉、麻、丝的墙布烧后应该只的布的纯味!
擦:一擦看着色,可以裁一块墙布小样,用湿布擦拭纸面,看看是否有脱色的现象。二擦看防水,用水笔或酱油等在墙布上画画,然后看能否擦除,好的墙布,用水喷就能去除水笔或酱油的污渍。




挤:墙布的防霉要求墙布能够透气、透水,即里面的气、水能够从墙布背面渗出来,这样就能够及时发现墙体漏水,及时处理,防止发霉。这好像和前面的防水有点矛盾!防水,是水不能通过墙布从外面进入墙体,防霉是水能通过墙布从墙体内渗到外面。为什么能出、不能进?这是因为墙布的表面进行了纳米技术处理。




泡:如果对墙布的防霉深入检验,可以向商家要一小块墙布回家泡在水中试一下,好的墙布至少一个星期不会发霉,这需要时间和耐心。
二、墙布的材质
常见的墙布主要有棉质墙布、麻型墙布、丝绸墙布。目前的无缝墙布主要采用丝、毛、棉、麻等天然纤维纺织材料制作,无毒无味、健康安全。
三、价格(预算)
1、首先确定装修的总体造价和总体装修风格以及装修的主体材料。
2、墙布应占装修总造价的10-15%,地板应占装修总造价的10-15%,基础材料应占装修总造价的15-20%,卫生洁具费用应占装修总造价的15-20%,电料五金应占装修总造价的10-15%,工资费用应占装修总造价的10-15%。
其实这不是绝对的,这和装修即墙布的风格有关,如果是中式、美式,需要有很多复杂的图案、布中如含金或银丝线的价格都相对较高,目前市场上价格在每平方价格300元以上贵的上千,应该达到装修总造价的10-15%。我现代简约以素色为主,一般在每平方100元左右。
四、施工方式
目前的市场上墙布的施工工艺主要有冷胶、热胶两种。
冷胶,是一种传统的贴法,其源于墙纸,需先经过基层的表面处理工作,表层基膜涂料,然后刷上胶水,再将丈量好的墙布贴上去。其胶水往往成为环保的重点,目前好的墙布一般使用糯米胶,这种胶水中所含的物质会相对于其他的更安全环保。
热胶,是近几年开始的新工艺,厂家在出场时就在墙布的背面附上一层胶,施工时同样需要对墙面基膜处理,然后用熨斗将背胶熔化,直接熨帖上墙。省去了中间环节,据说当天贴了当天即可入住。一天内就能贴完,相对而言会没有刷漆、粘胶那么复杂。同时如果墙面出现问题,可以用熨斗将背胶熔化后将墙布揭下来,处理结束后重新熨帖上去。
商家之间恶意竞争,说热胶的背胶看不到品牌,不知道是否环保,而冷胶的糯米胶在施工时看得到;说热胶的阴角处理不平……
我觉得选择大品牌、良心商家,环保、施工这都不是问题!我更倾向热胶,新东西的出现总是有一定道理的!
五、品牌与资质
墙布选择首要的是环保,因此首要参考的就有厂商生产背景与品牌资质。大品牌更受消费者信赖,10几年老公司拥有更靠谱的信誉和口碑。这些生产商的资历会为其产品品质好坏提供参考依据。产品价值和企业形象价值紧密相连、密不可分。
市场上的墙布大都是标着环保,需要查看其资质和证书。其实这也不一定真实,可能检验的产品不是我选择的产品。说得好,不如做的好!我要求商家在定单上注明,在墙布施工前后配合业主进行甲醛测量,保证甲醛含量不上升!否则全额退款!有商家不肯写,我想对只有对产品品质有信心的才会写吧!通过这也验证一下商家的产品品质。
六、搭配风格与颜色
风格的确定非常重要,在选择品种花色当中,第一要遵循配套风格。第二要适合使用的场所。如儿童房间有专门的版本,公共场所有工程墙布,餐厅有专门为餐厅设计的墙布。第三要符合自己的审美观点和色彩的搭配。最好由你自己提出要求,再交由装修设计师选择适当几款的品种,你再从中选定。这样可以避免不必要的麻烦。
1、客厅:宜素雅适恬淡
客厅是接待客人的地方,一般不要布置得太有个性。如果是满墙贴饰可以选择淡色小花的墙布,这样会把居室空间显得大一些。欧式风格的装修可以搭配竖条花色的墙布;现代感的则应该用冷色调,因而暖色调使用时间长了会让人觉得烦躁。背景墙的色彩搭配则要与家具相适应,但要注意所用颜色不要超过三种,否则会显得很乱。
2、卧室:自我空间,展示个性
卧室是最个人的空间,承载着主人的喜好。虽说原则上以主人最喜欢的花色为准,但一般来讲可以分为两种情况。大花色,成就浑然天成的大气;小碎花,营造极致浪漫的温文尔雅。
通常而言,卧室装饰偏向于女主人的喜好,如果女主人是个干练的职业女性,居家装饰就要体现一种豪放与大气。不妨选择床对面的墙充当背景墙,铺贴与其余三面墙完全不同的花卉图案的墙布,注意花心的颜色与其他墙体颜色一致,整体感觉大气浪漫,而又充满艺术之感。注意老人房一般要选择冷色系的,有助于睡眠。
)也扯不下来!再用熨斗熨烫之后,轻轻的不用力就可以将墙布揭了下来!也验证了商家所说,如果墙面有问题,可以将墙布揭起来,处理后再粘上!
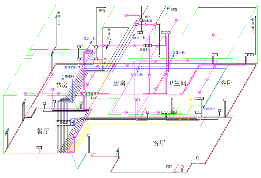
3、穿线时应注意下列问题:
(1)不同回路、不同电压和交流与直流的导线,不得穿入同一根管子内,但下列几种情况或设计有特殊规定的除外:
①电压为50Ⅴ及以下的回路;
②同一台设备的电机回路和无抗千扰要求的控制回路;
③照明花灯的所有回路;
④同类照明的几个回路,可穿于同一根管内,但管内导线总数不应多于8根。
(2)同一交流回路的导线必须穿于同一钢管内。
(3)导线在管内不得有接头和扭结,其接头应在接线盒内连接。
(4)管内导线包括绝缘层在内的总截面积不应大于管子内空截面积的40%。
(5)导线穿入钢管时,管口处应装设护日保护导线;在不进入接线盒(箱)的垂直管口,穿入导线后应将管囗密封。
(6)敷设于垂直管线中的导线,当超过长度时应在管口处和接线盒中加以固定。
①截面积为50mm2 及以下的导线为30m;
②截面积为70~95mm2 的导线为20m;
③截面积在180~240mm2 之间的导线为18m。













































































