
◣触摸 优雅
HONGHU DESIGN
风格定位法式优雅
我们负责设计生活的优雅 而您负责触摸优雅的生活。

硬装设计
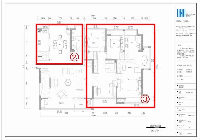
①动静分离
本案的户型是近阶段比较流行的大平层,开阔的空间中,不足之处在于各空间格局动线稍显模糊。在大结构上,我们将其规划为活动空间和休息空间,动静分离。通往休息空间的双开门设计体现法式风格中轴对称的特点,体现大平层的价值。书房则作为动静空间的中转站。

②洁污分离
原本餐厨区和卫生间的布置比较靠近,通过一段小小的隔墙处理了洁污分离,同时扩大餐厨空间、卫生间也增加了储藏,生活休闲区更整体、方正。

③私享空间
每个空间中都有专属的储物空间,不用因为换个被子,各个空间跑动。满足业主对生活品质的需求,花瓣精油,独立的沐浴空间释放一整天的疲劳。牛奶泡泡,给宝宝洗澡玩闹也不用担心把整个卫生间弄湿。


④硬装基调
在设计中注入了清新的雅致,整个空间以时尚的绚丽白为主调,客厅顶面的精美造型、极简而考究的护墙、材质的搭配为软装做基础。





软装设计
①色彩设计
音乐、绘画、陶瓷、芭蕾舞是看到硬装设计的第一感觉,华贵的深蓝色主沙发和远处紫水晶色的布艺书椅,为整个空间提亮。
装饰画、主卧的床、窗帘“形”“色”呼应。
入门的装饰镜、餐边柜、床头柜的亮银,和部分家具、镜子恰到好处的描金点缀其间,低调奢华。
餐厅秉持典型的法式风格搭配原则,米白色的餐椅和窗帘,矜持而优雅。



②造型设计
绿色家居理念,硬装处理上便摒弃了廊柱、雕花等制作工艺,软装仅用一盏水晶吊灯使顶面的造型更凹凸有致,营造气场。
精炼家具的造型,配合微曲的弧度,保持内涵和优雅。





③饰品搭配
灯饰、画品、插花的点缀搭配,浪漫清新
本案的家具和饰品都是鸿鹄设计软装专供和美克美家的,如果不说看得出本案例家具包含美克三个风格 五个系列的不同单品吗?




触摸优雅
都说房子像主人,它也一样。设计师说装修期间,女主人在看电视剧《最美的时光》。愿亲爱的你们在最美的时光,停留;在最好的年纪,感受;在鸿鹄设计的“家”,温暖!
再次,感谢本案业主对我们的选择和信任!

服务网点:
【镇江】
润州区:旭辉时代大厦1505室
TEL: 0511-85603303
微信咨询:18652823579
官方网站:【此处为站外链接,请谨慎打开】
[ 本帖最后由 鸿鹄设计镇江站 于 18-3-24 15:27 编辑 ]







